УДК 612.172.4
Алгоритмы обработки вызванных потенциалов
А. Ф. Индюхин*
В настоящее время метод вызванных потенциалов (ВП) широко используется в клинических и экспериментальных исследованиях благодаря своей информативности и диагностической ценности [1, 2]. Компьютерные системы регистрации и топографическо го картирования биопотенциалов головного мозга широко используются в комплексных исследованиях, позволяя наращивать программное обеспечение обработки сигналов в зависимости от поставленной задачи [3]. Вместе с тем главным недостатком метода ВП остается д остаточно высокий уровень методических помех, возникающих из-за недоподавления составляющих регистрируемого сигнала, обусловленных фоновой биоэлектрической активностью. Значительно превышая полезный сигнал, эти составляющие уменьшаются при синхронном сум мировании, позволяя выделить отклик системы на стимул. Отношение сигнал/шум (ОСШ) возрастает пропорционально квадратному корню из числа опытов, и теоретически его можно сделать сколь угодно большим. На практике количество опытов приходится ограничивать, поскольку существуют пределы выносливости пациента и диапазонов работы регистрирующей аппаратуры. В результате снижается точность определения диагностически значимых параметров ВП - амплитуд и латентностей пиков, возникновение которых связано с деятельно стью различных структур нервной системы (НС).
Повышение ОСШ может быть достигнуто применением полосового фильтра, выделяющего из сигнала частотные составляющие в окрестности собственной резонансной частоты. Фильтр с постоянной резонансной частотой исказит форму ВП, удалив из сигна ла составляющие, лежащие вне его полосы пропускания, вследствие чего возникнет дополнительная погрешность в определении амплитуд и латентностей пиков, спектральный состав которых, как правило, шире полосы пропускания фильтра. В силу указанных обстоятел ьств узкополосная фильтрация не нашла широкого применения в анализе ВП. Сложная форма ВП позволяяет считать их нестационарным случайным процессом, анализ которых частотным методом не эффективен [5]. Применяемые ранговые методы, основанные на выделении ха рактерных точек (максимумов, минимумов и пр.), чувствительны к методическим помехам [4].
В данной работе предлагается способ повышения ОСШ зарегистрированного ВП, основанный на применении следящего узкополосного формирователя сигнала (СУФС).
Принцип работы СУФС - фазовая автоподстройка резонансной частоты полосового фильтра с постоянным коэффициентом усиления. Передаточная функция СУФС (при постоянной резонансной частоте) имеет вид:
![]()
где: w Н, D w П - соответственно резонансная частота и половина полосы пропускания полосового фильтра. Амплитудная частотная характеристика для трех резонансных частот представлена на рис. 1.

Рис.1. Амплитудные частотные характеристики СУФС для
резонансных частот 5, 10 и 15 Гц
Как видно из рис.1, независимо от резонансной частоты коэффициент передачи полосового фильтра и ширина полосы пропускания остаются постоянными.
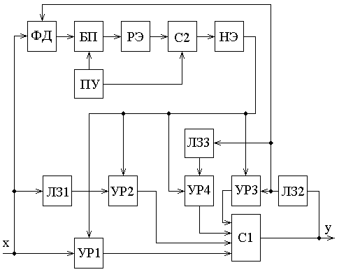
Функциональная схема СУФС представлена на рис. 2.

Рис.2. Функциональная схема СУФС
Полосовой фильтр реализован на сумматоре С1, линиях задержки ЛЗ1-ЛЗ3 и усилителях с регулируемым коэффициентом усиления УР1-УР4. Выходной сигнал Y полосового фильтра образуется на выходе сумматора С1 как сумма выходных сигнало в УР1-УР4, причем УР1 и УР2 стоят в цепи входного сигнала X, а УР3 и УР4 - в цепи обратной связи. Управляющие входы УР1-УР4 соединены с выходом нелинейного элемента НЭ, который является ограничителем диапазона изменения резонансной частоты полосов ого фильтра. На вход НЭ подается выходной сигнал сумматора С2, на входы которого поступают сигналы с регулирующего элемента РЭ и программного устройства ПУ. Блок переключения БП по сигналу с ПУ подает на вход РЭ либо нулевой сигнал (до времени начала ре гулирования tp), либо выходной сигнал фазового детектора ФД. Входной сигнал X (зарегистрированный ВП) поступает на входы УР1, ЛЗ1, ФД. После прохождения сигнала Y через ЛЗ2 на выходе ФД появляется сигнал, постоянная составляющая которого пропорциональна фазовому сдвигу выходного сигнала относительно входного. РЭ, выполненный на основе интегрирующего звена, выдает нарастающий сигнал, пропорционально которому резонансная частота полосового фильтра изменяется в сторон у увеличения (уменьшения) до тех пор, пока не совпадет с частотой входного сигнала. В этом случае фазовый сдвиг станет равным нулю, и процесс настройки прекратится. ПУ выполняет две функции - реализует задержку начала регулирования, обусловленную подачей стимула в ненулевой момент времени, и задает начальную резонансную частоту полосового фильтра. При необходимости может быть задан закон программного изменения резонансной частоты, что может улучшить качество переходного процесса настройки.
Математическое моделирование СУФС проведено для двух вариантов входного сигнала - тестового, при помощи которого проверялись динамические характеристики устройства, и реального, полученного в ходе экспериментальных исследований на опер ированных животных [1].
Тестовый сигнал представлял собой "полезную" составляющую - сигнал постоянной амплитуды с постоянной или переменной частотой в диапазоне 8-12 Гц с добавлением "помех" - гармонических сигналов меньшей амплитуды (до 15 % от "полезного") с частотами 1,5 Гц и 67 Гц и белого шума в полосе 500 Гц со среднеквадратическим отклонением (с.к.о.) до 15% от амплитуды полезного сигнала.
Для оценки фильтрующих свойств СУФС входной и выходной сигнал подавался на полосовые фильтры с резонансными частотами, соответствующими частотам гармонических помех, с вычислением отношения сигнал/помеха по отношению амплитуд помехи на входе и выходе. Вследствие динамических ошибок настройки СУФС были получены значения, превышающие на 20% теоретические (определяемые частотными характеристиками). ОСШ для белого шума, которое у фильтра с постоянной резонансной частотой определяется соот ношением полос сигнала и фильтра, при математическом моделировании получено ниже теоретического - из-за действия по регулирующей цепи помех и шума. При уровне амплитуд помех и с.к.о. шума 10% от амплитуды полезного сигнала ОСШ, вычисленное как отношение с.к.о. суммарной помехи на входе к с.к.о. разности выходного сигнала СУФС и полезного сигнала на интервале от 0 до 0,5 секунд при частоте входного сигнала 10 Гц и начальной резонансной частоте 8 Гц, равно 6. Такое улучшение ОСШ при традиционном методе ре гистрации ВП может быть получено при увеличении числа опытов в 36 раз.
При моделировании оценивалось время настройки СУФС на частоту входного сигнала, точность определения межпиковых амплитуд и пиковых латентностей. Для автоматизации определения параметров сигнала была использована методика [4].
Результаты математического моделирования представлены на рис.3 и 4.

Рис.3. Процесс обработки тестового сигнала переменной частоты

Рис. 4. Графики изменения частоты полезного входного сигнала (fвх) и резонансной частоты СУФС (fp) в процессе настройки на сигнал с шумами и помехами
Для приведенного на рис.3-4 случая настройки СУФС на сигнал со скоростью изменения частоты 4 Гц/с и уровнем гармонических помех и с.к.о. белого шума, равным 10% от амплитуды полезного сигнала, настройка практически заканчивается за вре мя 0,15 секунды (устанавливается амплитуда выходного сигнала СУФС). Даже в переходном процессе точность определения амплитуд (начиная со второго пика - межпиковых) при использовании методики [4] к выходному сигналу СУФС оказывается в среднем на 7 - 15% в ыше, чем при обработке исходного сигнала. Точность определения пиковых латентностей (отношение погрешностей) увеличивается на 30%. Следует отметить, что ранговый анализ выходного сигнала СУФС позволяет определить амплитуды и латентности пиков ВП за один проход, в то время как исходный сигнал требует не менее трех - пяти последовательных обращений [4].
Рис. 5. Соматосенсорные вызванные потенциалы (ССВП),
зарегистрированые в эксперименте на животном
При моделировании работы СУФС с реальными сигналами мы исходили из концепции, что ВП являются переходными процессами, характеризующими гомеостаз НС [2]. В свете этих представлений в зарегистрированных ВП исследователя интересует время достижения максимумов и минимумов (пиковые латентности) и межпиковые амплитуды, в то время как низкочастотные составляющие являются помехами - рис.5 [1].
В отличие от тестового моделирования, когда частота входного сигнала известна, а начальная резонансная частота может быть задана произвольно, для реального сигнала до начала процесса необходимо с максимальной точностью определить как н ачальную резонансную частоту, так и, в общем случае, время начала регулирования и полосу пропускания СУФС. Для этого используется модификация алгоритма, предложенного в [4]. Ранговый анализ позволяет определить частотный состав анализируемого ВП и задать необходимые начальные параметры СУФС. Результаты математического моделирования - выходные сигналы СУФС при подаче на вход реальных ВП (рис. 5) - представлены на рис. 6. Как видно из рисунка, реализованные в СУФС алгоритмы обработки устраняют низкочастот ную составляющую сигнала.

Рис. 6. Процессы настройки СУФС на сигналы ССВП, полученные в эксперименте
В таблице приведены различия в амплитудах и латентностях пиков, определенных по исходному и обработанному сигналам. Нумерация пиков в данном случае сплошная, независимо от их полярности.
Таблица
Средние величины отклонений амплитуд и латентностей ССВП по исходным и обработанным СУФС записям, в %
|
Номер пика |
1 |
2 |
3 |
4 |
|
Амплитуда |
9,73 |
4,89 |
16,28 |
8,02 |
|
Латентность |
3,33 |
2,89 |
2,80 |
2,34 |
Сопоставляя рис. 6 и данные таблицы, можно сказать, что часть различий определяется влиянием на выходной сигнал переходного процесса в СУФС, поскольку входной сигнал имеет переменную частоту и амплитуду. Другая часть отличий являет ся концептуальной, т.к. СУФС не пропускает постоянную составляющую сигнала. Оставив для дальнейших исследований вопрос о количественном соотношении этих составляющих и способах их уменьшения, можно утверждать, что предлагаемые алгоритмы обработки ВП, не ухудшая диагностической ценности регистрируемых параметров, позволяют улучшить ОСШ, уменьшить уровень субъективизма, создают предпосылки автоматизации диагностического процесса и повышения точности топографической привязки источников биоэлектрической акт ивности.
На основе предложенной структуры СУФС была разработана программа на языке Бейсик (QB-45) для обработки зрительных ВП, регистрируемых компьютерной системой "Нейро-картограф".
Выводы
Литература
Algorithms for an Invoked-Signal Processing
A. F. Indyukhin
Summary
The article deals with a method for an increasing of a signal-to-noise ratio of an invoked signal recorded. The method is based on making use of a tracing narrowband signal former.
Индюхин Алексей Федорович, 1952 года рождения. В 1976 году окончил факультет САУ Тульского политехнического института. Работал в Конструкторском бюро приборостроения инженером по динамике систем управления. Участвовал в разработ ке образцов новой техники, имеет публикации в отраслевых научно-технических сборниках и 5 а.с. на изобретения. В настоящее время - заместитель директора Научно-практического центра клинической нейрофизиологии и нейрореабилитации по технике. Сфера научных интересов - обработка сигналов, математическое моделирование, статистические методы.